与我司分类繁多的热熔螺母不同,本页将着重介绍几种常用的塑胶热熔螺柱。热熔螺柱,称之为热熔螺丝,顾名思义热熔到塑胶里的螺丝,螺纹凸出塑胶工件表面,如图:
与热熔螺母一样,热熔螺柱可以通用①塑胶成型时直接模具植入、②塑胶成型后热熔热烫压入、③塑料成型后直接压入三种方式嵌入塑胶内。
采用第①种方式(即模具植入)的热熔螺丝对螺丝本身的类型或头型没有太多要求,用户一般跟工件性能要求及空间大小自行设计一款带防滑纹的热熔螺丝,如:注塑用螺丝,这类螺丝没有行业标准,相对也简单,不是本页介绍的重点。
本页所介绍的热点是第②种类型,即塑料成型后,通过热熔热烫或超声波等等加热后压入塑胶的热熔螺柱。这类热熔螺柱有几种典型的样式和标准,分别如下:
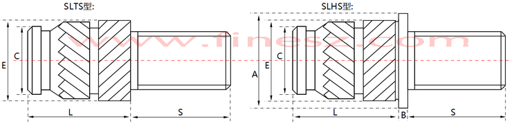
SLTS和SLHS型热熔螺柱,是一款通过热熔热烫的方式压入塑胶孔的紧固件。锥形身部(嵌入部分)为左右双斜滚花利于嵌入塑胶孔后保持良好的扭力及拉拔力,杆部为螺纹部分,突出于塑胶件。
生产规格:参考下表
左图为一款黄铜材质的SLTS型热熔螺柱,规格:SLTS M5*9.5*10(螺纹*嵌入长度*螺纹长度)
左图为一款不锈钢材质生产的SLHS型热熔螺柱,规格:SLHS M4*8.1*12
SLTS SLHS型热熔柱可采用的材质有:铜(一般采用C3604)、不锈钢(一般采用SUS303)、以及快削钢(一般采用1215,表面镀锌或镍)。
SLTS与SLHS为同一系列热熔螺柱,两者区别如同左侧这两组产品所示:SLHS带有法兰面而SLTS没有法兰面,法兰面的作用是增大受力面积----当外部施压时防止螺柱下陷----一般应用于较软的塑料如PA。
SLTS SLHS实际上是热螺母SL SHK的延伸产品,有兴趣的朋友可参考:
类型 | 螺纹 | 嵌入长度 L |
螺柱长度 S |
外径 ФE |
导向柱 ФC |
头径 ФA |
头厚 B |
塑胶孔径 +0.1 |
最少 肉厚 |
SLTS SLHS |
M2 | 2.0 3.0 4.0 5.0 | 5 6 8 10 12 | 3.6 | 3.1 | 4.8 | 0.53 | 3.2 | 1.3 |
M2.5 | 2.0 3.0 5.0 5.7 | 5 6 8 10 12 14 | 4.6 | 3.9 | 5.5 | 0.61 | 4.0 | 1.6 | |
M3 | 4.0 4.8 5.7 6.0 | 5 6 8 10 12 14 16 | 4.6 | 3.9 | 5.5 | 0.61 | 4.0 | 1.6 | |
M4 | 4.0 4.8 5.8 8.1 | 5 6 8 10 12 14 16 20 | 6.3 | 5.5 | 7.1 | 0.91 | 5.6 | 2.1 | |
M5 | 5.8 6.8 9.5 | 6 8 10 12 14 16 20 25 | 7.1 | 6.3 | 7.9 | 1.09 | 6.4 | 2.6 | |
M6 | 6.8 9.5 12.7 | 6 8 10 12 14 16 20 25 30 | 8.7 | 7.9 | 9.5 | 1.35 | 8.0 | 3.3 | |
M8 | 12.7 | 10 12 14 16 20 25 30 | 10.2 | 9.5 | 11.1 | 1.35 | 9.6 | 4.5 | |
M10 | 12.7 | 12 14 16 20 25 30 | 12.6 | 11.8 | 14.0 | 1.60 | 11.9 | 6.0 | |
M12 | 15.9 | 16 20 25 30 | 16.7 | 15.8 | 19.0 | 2.00 | 16.0 | 8.0 |
类型 | 螺纹 | 螺纹 代号 |
嵌入长度 L |
螺柱长度 S |
外径 ФE |
导向柱 ФC |
头径 ФA |
头厚 B |
塑胶孔径 +.004 |
最少 肉厚 |
STLS SLHS |
4-40 | 440 | .140 .170 .226 .250 | 3/16 1/4 5/16 3/8 7/16 1/2 | .181 | .154 | .218 | .024 | .157 | .163 |
6-32 | 632 | .150 .226 .250 .281 | 3/16 1/4 5/16 3/8 7/16 1/2 | .214 | .185 | .250 | .030 | .189 | .071 | |
8-32 | 832 | .185 .250 .321 | 1/4 5/16 3/8 7/16 1/2 5/8 3/4 | .248 | .218 | .281 | .036 | .220 | .083 | |
10-24 | 024 | .250 .375 | 5/16 3/8 7/16 1/2 5/8 3/4 7/5 | .278 | .249 | .312 | .043 | .252 | .102 | |
10-32 | 032 | .226 .250 .375 | 5/16 3/8 7/16 1/2 5/8 3/4 7/5 1 | .278 | .249 | .312 | .043 | .252 | .102 | |
1/4-20 | 0420 | .250 .500 | 5/16 3/8 7/16 1/2 5/8 3/4 7/5 1 | .341 | .312 | .375 | .053 | .315 | .130 | |
5/16-18 | 0518 | .500 | 3/8 7/16 1/2 5/8 3/4 7/5 1 | .403 | .374 | .437 | .053 | .378 | .177 | |
3/8-16 | 0616 | .500 | 7/16 1/2 5/8 3/4 7/5 1 | .494 | .465 | .551 | .063 | .469 | .236 | |
1/2-13 | 0813 | .625 | 5/8 3/4 7/8 1 | .657 | .622 | .748 | .079 | .630 | .315 |
左图为BTS型热熔螺柱,该类型螺柱身部(嵌入部分)为直纹+钻石纹压花且身部呈锥度,利于热压或超声压入塑胶预置孔。
所采用的材质:以黄铜(C3604)和快削钢为主
生产规格与范围:下附表
BTS,BTHS型热熔螺柱是BT,BTH型热熔螺母的延伸产品(拓展阅读:BT BTH型热熔螺母),与热熔螺母不同,BTS、BTHS型螺柱嵌入塑胶后露出外螺纹端当螺丝使用。
而BTS与BTHS的一不同点:BTHS带有大外圆的法兰面,就如同左图。
与本页上面所展示的SLTS、SLHS标准的热熔螺柱相比,BTS,BTHS型热熔螺柱身部(嵌入部分)压花对称,植入塑胶孔时利于定位,故也适用于超声压入。
型号 | 螺纹 | 高度 L |
螺纹长 F |
大径 ФE |
头径 ФA |
头厚 T |
D1 +0.10 |
D2 | 最小肉 厚 k |
孔深 S |
BTS BTHS |
M2.5 | 5.0 - | 5 10 | 4.1 | 6.0 | 0.6 | 3.8 | 6.2 | 1.5 | L+1.0 |
M3 | 5.0 5.5 | 5 10 15 | 4.7 | 6.0 | 0.6 | 4.4 | 6.2 | 1.8 | L+1.0 | |
M3.5 | 6.0 - | 5 10 15 | 5.5 | 7.0 | 0.8 | 5.2 | 7.5 | 1.8 | L+1.0 | |
M4 | 6.0 7.5 | 5 10 15 | 5.9 | 8.0 | 0.8 | 5.8 | 8.2 | 2.0 | L+1.0 | |
M5 | 7.0 9.0 | 10 15 20 25 | 7.0 | 8.5 | 1.0 | 6.9 | 8.7 | 2.3 | L+1.0 | |
M6 | 9.0 10.0 | 10 15 20 25 | 8.6 | 10.0 | 1.0 | 8.5 | 10.2 | 2.5 | L+1.0 | |
M8 | 12.0 - | 15 20 25 | 11.1 | 12.0 | 1.0 | 10.9 | 12.2 | 3.0 | L+1.5 |
塑料材质 | M3 | M4 | M5 | M6 | M8 | |||||
扭出力 N·M | 拉出力N | 扭出力 N·M | 拉出力N | 扭出力 N·M | 拉出力N | 扭出力 N·M | 拉出力N | 扭出力 N·M | 拉出力N | |
ABS | 1.20 | 1350 | 2.25 | 2100 | 2.90 | 2800 | 7.00 | 3700 | 11.00 | 5500 |
PC | 1.60 | 1800 | 2.20 | 2800 | 4.10 | 3600 | 9.50 | 4900 | 18.00 | 6650 |
PA | 1.05 | 1700 | 2.40 | 2250 | 3.75 | 3000 | 5.50 | 4000 | 12.00 | 5650 |
PE/PP | 1.00 | 900 | 2.10 | 1550 | 2.50 | 1900 | 5.00 | 2750 | 9.00 | 3950 |