
| 部 位 | 产品等级 | ||
| A | B | C | |
| 杆部和支承部 | 紧的 | 紧的 | 松的 |
| 其他部位 | 紧的 | 松的 | 松的 |
| 产品等级 | A | B | C |
| 公差 | 6g | 6g | 8g① |
| A级 | B级和C级 | ||
| s / mm | 公差 | s / mm | 公差 |
| ≤30 | h13 | ≤18 | h14 |
| >18 ~ ≤60 | h15 | ||
| >30 | h14 | >60 ~ ≤180 |
h16 |
| >180 | h17 | ||
A级为js14,B级为js15;C级在k小于10mm时为js16,在k大于等于16mm时为js17。(六角法兰面螺栓和螺钉仅规定k的最大值)
kw min = 0.7 kmin,kw确定的长度范围内,除倒角、垫圈面或圆角以外的对角宽度均应符合emin。该尺寸在相关的产品标准中规定。
kw的计算公式如下:
A级产品对角宽度最小值emin=1.14 s min,B级和C级不作规定。
A级产品对边宽度s公差如下,B级和C级不作规定。
| s | 0.7 | 0.9 | 1.3 | 1.5 | 2 |
2.5 | 3 | 4 | 5 | 6 | 8 | 10 | 12 | 14 | >14 |
| 公差 | EF8 | JS9 | K9 | D11 | E11 | E12 | D12 | ||||||||
开槽宽度公差只规定了A级产品(见下表),B级和C级不作规定。
公差:C13用于n≤1㎜,C14用于n>1㎜。)
| n / ㎜ | ≤1 | >1~≤3 | >3~≤6 |
| 极限偏差/ ㎜ | 0.02 0.06 |
0.31 0.06 |
0.37 0.07 |
目前还不能规定适用的公差。A级产品内六角和开槽深度在产品标准中仅规定最小值。它受最小壁厚外扳拧部位公差的限制。B、C级产品不作规定。
除插入深度外的所有尺寸见GB/T 944.1。插入深度见相关的产品标准。
除插入深度外的所有尺寸见GB/T 6188。插入深度见相关的产品标准。
(1) 形状如下图时,头部尺寸dk 的公差A级产品为h13。滚花头用±IT13。
(2) 形状如下图时,头部尺寸dk 的公差A级产品为h14。沉头螺钉直径与高度的综合控制,按GB/T 5279或GB/T 70.3规定。对B、C产品,头部直径的公差不作规定。
产品等级 |
A级 | B级和C级 | 备注 | |
| 公差 | d≤M 5 | h13 | / | 沉头螺钉k值在产品标准中仅规定 最大值。沉头螺钉直径与高度的 综合控制,按GB/T 5279或GB/T 70.3规定。 |
| d>M 5 |
h14 | |||
本规定适用于A、B、C级产品,但C级垫圈是非强制性的
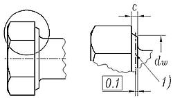
| 螺纹直径 / ㎜ |
≥1.6~2.5 | >2.5~4 | >4~6 | >6~14 | >14~36 | >36 | |
| c / ㎜ |
Min | 0.1 | 0.15 | 0.15 | 0.15 | 0.2 | 0.3 |
| Max | 0.25 | 0.4 | 0.5 | 0.6 | 0.8 | 1 | |
| 螺纹 直径 |
> | 0 | 2.5 | 5 | 10 | 16 | 24 | 36 |
| ≤ | 2.5 | 5 | 10 | 16 | 24 | 36 | / | |
| dw min | dkmin-0.14 | dkmin-0.25 | dkmin-0.4 | dkmin-0.5 | dkmin-0.8 | dkmin-1 | dkmin-1.2 | |
| 产品等级 | A级 | B级 | C级 |
| 公差 | js15 | js17 | l≤150㎜,js17 |
| l>150㎜,±IT17 |
| A级 | B级 | C级 | |
| 螺栓 | |||
| 等长双头螺柱 | |||
| 螺柱 | |||
| 产品等级 | A级 | B级 | C级 |
| 公差 | h15 | h14 | ±IT15 |
螺栓、螺钉和螺栓的几何公差按GB/T 1182和GB/T 16671规定的公差,不需要使用特殊工艺、测量或量规。
当规定螺纹中径轴线为基准,而螺纹大径与螺纹中径轴线的同轴度误差又可以忽略不计时(如辗制螺纹),则螺纹大径轴线可作为基准轴线。
按GB/T 1182规定用字母MD标记螺纹轴线为基准时,则表示以螺纹大径轴线为基准线。
应按GB/T 16671的规定使用最大实体要求。
1 图A~E、G~I、K、L中,基准A应尽可能靠近头部,并在距头部0.5d以内;基准A可以是光杆或螺纹部分,但不应包括螺纹收尾或头下圆角部分。
2 MD表示以螺纹大径轴线为基准轴线。
3 图K,L中,对十字槽位置度的仲裁检验应使用GB/T 944.1规定的量规进行评定
| 产品部位 | 图A | 图B | 图C | 图D | 图E | 图F | 图G | 图H | 图I | 图J | 图K | 图L | |
| 公差t | A级 | 2IT13 | 2IT12 | 2IT13 | |||||||||
| B级 | 2IT14 | / | 2IT13 | / | |||||||||
| C级 | 2IT15 | / | 2IT14 | / | |||||||||
| 选取t的基本尺寸 | s | d | |||||||||||
1 图A、B中,基准A应尽可能靠近头部,并在距头部0.5d以内,基准A可以是光杆或螺纹部分,但不应包括螺纹收尾或头下圆角部分。
2 MD表示以螺纹大径轴线为基准轴线。
3 PD表示以螺纹中径轴线为基准轴线。
4 图H,I中,基准A和B应尽可能靠近杆部的各部分,但不包括螺纹收尾。
| 产品部位 | 公差t | 选取t的基本尺寸 | ||
| A级 | B级 | C级 | ||
| 图A | 2IT13 | 2IT14 | 2IT15 | dk |
| 图B | / | dc | ||
| 图C | 2IT15 | d | ||
| 图D | 紧定螺钉 IT13 | / | / | |
| 其他产品 2IT13 |
||||
| 图E | IT13 | |||
| 图F | ||||
| 图G | 2IT13 | 2IT14 | 2IT15 | |
| 图H | IT13 | IT14 | IT15 | |
| 图I | IT14 | / | ||
| 产品部位 | 公差t | 选取t的基本尺寸 | |
| A级和B级 | C级 | ||
| 图A、B | d≤8㎜,t=0.002l + 0.05㎜ | 2t | d |
| 图C | d>8㎜,t=0.0025l+ 0.05㎜ | / | |
| 图D | / | 2t | |
| 部位 | 公差 t |
选取t的基本尺寸 | ||
| A级 | B级 | C级 | (螺纹大径) | |
|
0.04 | / | 1.6 | |
| 2 | ||||
| 0.08 | 0.3 | 2.5 | ||
| 3 | ||||
| 3.5 | ||||
| 4 | ||||
| 0.15 | 5 | |||
| 6 | ||||
| 7 | ||||
| 0.17 | 0.34 | 8 | ||
| 0.21 | 0.42 | 10 | ||
| 0.25 | 0.5 | 12 | ||
| 0.29 | 0.58 | 14 | ||
| 0.34 | 0.68 | 16 | ||
| 0.38 | 0.76 | 18 | ||
| 0.42 | 0.84 | 20 | ||
| 0.46 | 0.92 | 22 | ||
| 0.5 | 1 | 24 | ||
| 0.57 | 1.14 | 27 | ||
| 0.63 | 1.26 | 30 | ||
| 0.69 | 1.38 | 33 | ||
| 0.76 | 1.52 | 36 | ||
| 0.82 | 1.64 | 39 | ||
| 0.44 | 0.88 | 42 | ||
| 0.47 | 0.94 | 45 | ||
| 0.5 | 1 | 48 | ||
| 0.55 | 1.1 | 52 | ||
C级产品公差t是A、B级公差的2倍。
2.基准A应尽可能靠近头部,并在距头部0.5d以内;基准A可以是光杆或螺纹部分,但不应包括螺纹收尾或头下圆角部分。
3.MD表示以螺纹大径轴线为基准轴线。
4.图C、D对法兰面螺栓,公差仅适用于F型和U型。
5.图E、F仅对圆柱端,而不适用于导向端。
b. 支承面形状允许公差:测量位置为da max和dw min间的径向线。φ值按产品标准规定。A、B、C级产品的支承面形状误差均为0.005d,选取t的基本尺寸为d。
| 部位 | 产品等级 | ||
| A | B | C | |
| 支承面 | 紧的 | 紧的 | 松的 |
| 其他部位 | 紧的 | 松的 | 松的 |
图A:对m ≥ 0.8 D的螺母,在> 0.5m max的范围内,螺纹小径应符合规定的公差(仅适用于规格>M3)。
图B:对0.5 D ≤ m <0.8 D的螺母,在> 0.35mmax的范围内,螺纹小径应符合规定的公差。
图C:对有效力矩型螺母,从支承面起到>0.35 D的高度,螺纹小径可能超过规定的公差。
1 某些产品,在相关的产品和镀层标准中,可能规定其他的螺纹公差等级。
| 部位 | 公差 | |||
| A级 | B级、C级 | |||
|
s /mm | 公差 | s /mm | 公差 |
| ≤30 | h13 | ≤18 | h14 | |
| >18 ~ 60 |
h15 | |||
| >30 | h14 | >60 ~ 180 | h16 | |
| >180 | h17 | |||
| 部位 | 公差 | ||
| A级 | B级 | C级 | |
![]() |
D≤12mm:h14 12mm<D≤18mm:h15 D>18mm:h16 |
h17 | |
![]() |
h公差见产品标准 | ||
| 部位 | 公差 | ||
| A级 | B级 | C级 | |
![]() |
|||
![]() |
|||
公差 |
螺纹直径 | ≥1.6~2.5 | >2.5~4 | >4~6 | >6~14 | >14~36 | >14~36 | |
| c / mm |
min | 0.1 | 0.15 | 0.15 | 0.15 | 0.2 | 0.3 | |
| max | 0.25 | 0.4 | 0.5 | 0.6 | 0.8 | 1 |
||
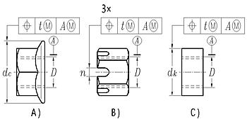
| 尺寸代号 | de | m | n | W | mw |
| A级 | h14 | h14 | h14 | h14 | 见1型六角螺母(GB/T 6170)的mw值 |
| B级 | h15 | h15 | h14 | h15 | |
| C级 | h16 | h17 | h15 | h17 |
螺母的几何公差按GB/T 1182和GB/T 16671规定的公差,不需要使用特殊工艺、测量和量规。需要以螺母的螺纹为基准时,
应以螺纹中径轴线为基准。应按GB/T 16671的规定使用最大实体要求
| 部位 | 公差 t | 选取t的基本尺寸 | ||
| A级 | B级 | C级 | ||
| 图A | 2IT13 | 2IT14 | 2IT15 | s |
| 图B | 2IT13 | 2IT14 | / | |
| 图C | 2IT13 | 2IT14 | 2IT15 | |
| 部位 | 公差 t | 选取t的基本尺寸 | ||
| A级 | B级 | C级 | ||
| 图A | 2IT14 | 2IT15 | / | dc |
| 图B | 2IT13 | 2IT14 | 2IT15 | D |
| 图C | 2IT13 | 2IT14 | / | dk |
| 部位 | 公差t | 选取t的 基本尺寸 (螺纹大径) |
||
| A级 | B级 | C级 | ||
![]() |
0.04 | / | 1.6 | |
| 2 | ||||
| 0.08 | 2.5 | |||
| 3 | ||||
| 3.5 | ||||
| 4 | ||||
| 0.15 | 0.3 | 5 | ||
| 6 | ||||
| 7 | ||||
| 0.17 | 0.34 | 8 | ||
| 0.21 | 0.42 | 10 | ||
| 0.25 | 0.5 | 12 | ||
| 0.29 | 0.58 | 14 | ||
| 0.34 | 0.68 | 16 | ||
| 0.38 | 0.76 | 18 | ||
| 0.42 | 0.84 | 20 | ||
| 0.46 | 0.92 | 22 | ||
| 0.5 | 1 | 24 | ||
| 0.57 | 1.14 | 27 | ||
| 0.63 | 1.26 | 30 | ||
| 0.69 | 1.38 | 33 | ||
| 0.76 | 1.52 | 36 | ||
| 0.82 | 1.64 | 39 | ||
| 0.44 | 0.88 | 42 | ||
| 0.47 | 0.94 | 45 | ||
| 0.5 | 1 | 48 | ||
| 0.55 | 1.1 | 52 | ||
A级和B级产品均为0.005D,C级不作规定,选取t的基本尺寸为D。测量部位为da max 和dw min 间的径向线。φ值按产品标准规定。
对边宽度s的公差为h13。对角宽度e的最小值emin=1.12smin。
头部高度k的公差见GB/T 5285。
扳拧高度最小值kw min=0.7 kmin(扳拧高度也可用k’表示),六角凸缘自攻螺钉和六角法兰面自攻螺钉分别见GB/T 16824.1和GB/T 16824.2。
| n | ≤1 | >1、≤3 | >3、≤6 |
| 公差 | 0.2 0.06 |
0.31 0.06 |
0.37 0.07 |
十字槽:除插入深度外,所有尺寸见GB/T 944.1。插入深度见相关标准。
内六角花形:除插入深度外,所有尺寸见GB/T 6188。插入深度见相关标准。
| 类型 | C型、R型 | F型 | |||
| 长度l | ≤25 | >25 | ≤19 | >19~38 | >38 |
| 公差 | ±0.8 | ±1.3 | 0 | 0 | 0 |
| -1.8 | -1.3 | -1.5 | |||
几何公差按GB/T 1182和GB/T 16671规定,不需要使用特殊工艺、测量或量规。需要以自攻螺钉的螺纹作为基准或标注公差的部位时,
则螺纹大径轴线可作为基准轴线。应按GB/T 16671的规定使用最大实体要求。基准A应尽可能靠近头部,并在距头部1P以内,但不应包括螺纹收尾或头下圆角部分。
MD表示以螺纹大径轴线为基准轴线。
基准A应尽可能靠近头部,并在距头部1P以内,但不应包括螺纹收尾或头下圆角部分。MD表示以螺纹大径轴线为基准轴线。对十字槽位置度的仲裁检验应使用按GB/T 944.1规定的量规进行评定。
| 部位 | 图A | 图B、C、D | 图E、F |
| 公差 | 2IT13 | 2IT12 | 2IT13 |
| 选取t的基本尺寸 | s | d | d |
| d/mm | ST2.2 | ST2.9 | ST3.5 | ST4.2 | ST4.8 | ST5.5 | ST6.3 | ST8 | ST9.5 |
| t/mm | 0.08 | 0.16 | 0.16 | 0.16 | 0.3 | 0.3 | 0.3 | 0.34 | 0.42 |

































































































