在线报价 发表于: 2019年5月14日 2019年5月21日 分类: 咨询 这是一个在线询价与报价版块。 您可以通过下面的留言框提交产品图纸图片等附件。我们将在第一时间在线回复报价相关信息。 附件上传支持常用文档,如JPG图片、PDF文档、手机视频、word、excel文档等。如果是其它文档,如CAD、3D、PPT或其它任意文档、或多个文档,可将其压缩成ZIP文件上传。 仅上传的图片(jpg,png)是公开显示的,非图片文档(如PDF,word,excel等)不显示。如果您的图片信息不宜公开或急需即刻回复,请联系我司业务。 文章导航 前一页 上一篇: 直纹拉花嵌装螺母的花齿标准FW-023后一页 下一篇: 电镀的产品盐雾测试中为什么出现黑点(黑斑)? 197,792 次浏览
@金莱克先生您好,这款螺母我们没有现货,但是可以做的,含税单价为0.35。单批起订量1万个。如果价格可以接受可以打样,打样需要3-5天,打样需收取285元打样费的(含税),如果样品合格后下单返还打样费。 回复
@匿名您好,你附的这个图是我们网上的“不锈钢系列的嵌装圆螺母”,标准为GB809。这种产品一般为黄铜生产的,虽然不锈钢有客户需要但大部分时候是黄铜,所以我姑且认为你是问黄铜材质的(如不是,请留言告知)。它们的价格分别为: C3604 GB809 M3*8(长度)*5(外径) 0.08元/支 C3604 GB809 M4*4*6 0.07 C3604 GB809 M4*4*5 0.05 以上含税及运费。MIQ为2万。 回复
@张娜娜你好,IUTB M3*0.5*5.74(长度)含税单价0.08;M4*0.8*8.15单价0.13;MIQ 10K,订单事宜可与我司业务联系:联系方式,贵司下订单给我们或我司出具合同给贵司都行。您也可以在我司网站直接下单(该产品标准与单价不统一,建议走线下合同下单):商品发布地址。 回复
@李新生 你好。PF50 M4单价为2.0元。价格的确比较(PF31系列)高,因为这个系列需求量少,我们没有现货要专门生产的,涉及到好几个配件,而你要的数量也不多,成本就高了。不知道你的板厚多少,是否可以用PF31(S)-M4代替,单价0.9(碳钢)/1.5(不锈钢)。 回复
下面的带密封垫片M6螺丝,材质是Steel ISO 898-1 EPDM black (2 mm thickness),总需求量80万个大概每个多少钱呢 外形尺寸是: 23.4x23x23 附件: 回复
BOSOS-M4-18压铆螺柱,不锈钢材质,价格 FHS-M6-12压铆螺钉,不锈钢材质,价格 GBT17880.4小沉头六角铆螺母M6*15不锈钢材质 松不脱螺钉PF11-M6-2 FHS-M6-20 压铆螺钉M6*20不锈钢材质 351-2385.04-20003 不锈钢拉紧锁 AVDEL铆钉3.2*11.5不锈钢材质 回复
@王,你好 BSOS-M4-18 0.35元/支 含税; FHS-M6-12 0.11; PF11-6-2 1.85; FHS-M6-20 0.15; 以上这些规格的单价在我司在线商城(螺丝街)可直接查询。其它几款我司没有请另询其它厂谢谢。 回复
请问压铆螺母BS,产品需要热处理跟电镀。 电镀前使用加大0.03的丝攻,底径加大0.04-0.05,外发热处理前检验是没有问题的,热处理后因为渗碳层的产生导致,螺纹锁不过,电镀后孔小,牙紧。请问这个是什么原因造成的? 热处理;HV330-400 电镀;镀蓝白锌5-12um 回复
@大仙 你好。(到底是压铆螺母S,还是防水螺母BS? BS也不会涉及到热处理电镀,你应该是说压铆螺母S吧 ) 不管是内螺纹还是外螺纹,热处理+电镀后螺纹通规不顺或NG,这是紧固件行业的通病。 造成原因:1,热胀冷缩无法避免,热处理本身会使牙形产生轻量的变形 2,螺纹表面的微小颗粒或毛刺因热处理而固化附着在螺纹表层,这些颗粒、毛刺来源可能是攻牙过程的切削液,也可能是丝攻本身磨损过度,也可能是热处理线的冷却介质。2,渗碳层也会导致螺纹表层微量变形和粗糙。4,螺纹镀层膜厚不均。电镀过程中,因为锌离子的聚焦效应,锋利、杂质、和粗糙的节点部位其镀层膜厚远大于光滑平面,而渗碳后的螺纹正好符合锋利、杂质、粗糙这三要素。 以上4要素叠加,造成螺纹规NG是很常见的。 建议方案: 1,生产控制方面。通规检测也用加大0.03螺纹规,保证通规顺滑无任何卡顿感毛刺感 2,清洗去渍方面。外发热处理前,务必用煤油或阻燃类去渍油在除渣机内反复振动清洗半小时以上,将内螺纹的杂质、颗粒彻底清洗干净。 做到以上两点基本问题不大了。 3,电镀方面。要求电镀厂镀前酸洗到位,彻底去除热处理杂质附着物。另外,12UM镀层是非常厚的,既然5um也算合格,就没必要把公差放那么大,建议5-7um。 4,热处理方面。热处理冷却介质保持一定的纯净程度,避免过多杂质。不过貌似热处理厂你跟他说了也白说,所以还是求电镀厂镀前清洗干净靠谱一点。 回复
@匿名 你好。 1,图中螺纹底孔径3.3+-0.05这个参数是比标准(4.24-4.42)高的,由于该螺母壁厚较薄,攻牙过程膨胀系数较大,量产不能按3.3+-0.05控制,但可以保证国标范围(4.24-4.42)。 2,图中螺母为B-M4-1,如果贵司使用铜板是2.0和3.0厚,建议采用B-M4-2规格,两都不同点是:M4-1铆接厚度max0.97,M4-2铆接厚度max1.37。另,M4-1的扭力可能达不到3.6NM. 3,我司材质为10B21,硬度HRC28-35,并不是1215 如以上3点可接受,单价0.135。由于电镀有特殊要求,需生产。生产周期7-10个工作日。 回复
@匿名 你好。这个产品也太简单了吧,这么简单的产品想必你看的就价格。我估计你之前的是用管料做的,需要进一步确认一下产品内外圆外观要求,平磨要求。我随便报个价可能出入太大,建议联系我手机18912771062 回复
您好 有SKS-R2-R4 这种压铆吗 如果有价格多少,年用量 10000 附件: SKS-R2.0-4.0-ZI-KEYHOLE®SheetJoiningFastenersTypeSKS-Râ„¢-Metric.pdf 回复
@匿名 您好。不好意思我们查阅了相关时间段的邮件与来电记录没有查到相关记录,我不确定是什么原因。收到回复及本邮件后请再发一份给我本人,我本人邮件360280493@qq.com,手机号为18912771062(这也是微信号WeChat) 回复
@匿名 你好。这种没做过。类似的有做过。但是这个图可能在设计上存在一些问题,在1.0厚的管壁上攻M3的螺纹,除去倒角几乎只有一颗有效牙了,可能无法满足顶丝的锁紧功能。当然图中有提到外径不小于8MM即可,那具体外径多少还请进一步沟通。如看到本条留言可与我联系(18912771062)。 回复
我们要做的这产品与第一张图类似,就是两个圆柱子要求铆的牢固。相当工治具(板手,使用两个圆销定定位然后扳动),与电动打磨机卸打磨片一样。以前我们用定位销钉TPS-4-10压铆,用一段时间就松动了。 附件: 回复
@匿名 你好。看明白了。 是这样的,如果你希望将一个零件当扳手或类似工具用,不应该采用铆接的方式,而是采用过盈配合的销钉的方式。如下图所示: 将直径大于孔径的略带倾角的销钉(类似圆锥销),通过强力压入孔内即可。 回复
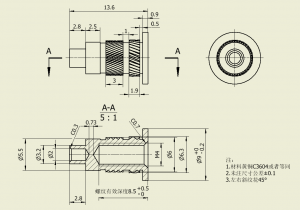
你好,看到贵公司生产无螺纹的不锈钢嵌入件,表面直花纹,内孔7mm,外径10.5mm,高度11mm。 我们的订单大概每年100万,请问多少钱每件? 如果尺寸按照我们的设计要求微调,价格会有区别吗? 谢谢! 附件: 回复
@Liang 您好。 尺寸可以按用户要求调整。大约的单价如下: 采用棒料生产:303不锈钢0.35元/支;316F不锈钢0.65元/支。 还有一个方案是采用管料生产,这涉及到一些外观、起订量等细节,具体要另谈。图中实物为棒料生产的效果。 回复
请问这个图纸能做吗?单价多少?
附件:
@常州殷先生你好,这个图纸我们做过类似的产品(之前做的材质是不锈钢的,见附件,尺寸也略有不同)。该图的价格为0.32元/PCS(含电镀),含税13%。20K的生产周期为10个工作日。
附件:
这个螺母有没有?我们年需求量2万,价格是多少,打样要几天?
附件:
@金莱克先生您好,这款螺母我们没有现货,但是可以做的,含税单价为0.35。单批起订量1万个。如果价格可以接受可以打样,打样需要3-5天,打样需收取285元打样费的(含税),如果样品合格后下单返还打样费。
规格M3*8*5, M4*4*6, M4*4*5 这三种单价多少?目前已知订单量60万。样子如附件
@匿名您好,你附的这个图是我们网上的“不锈钢系列的嵌装圆螺母”,标准为GB809。这种产品一般为黄铜生产的,虽然不锈钢有客户需要但大部分时候是黄铜,所以我姑且认为你是问黄铜材质的(如不是,请留言告知)。它们的价格分别为:
C3604 GB809 M3*8(长度)*5(外径) 0.08元/支
C3604 GB809 M4*4*6 0.07
C3604 GB809 M4*4*5 0.05
以上含税及运费。MIQ为2万。
您好,
需求S-M3-2=1000PCS,S-M4-2=15000PCS,分别报价多少?谢谢
联系认,张生,177153795**
@张先生,S-M3-2 0.0219 ,S-M4-2 0.0253。
另外,以上价格在我的螺丝街网站都有全部公布的。如需查询相关标准品的价格在螺丝街即可。
你好,你那里有 FHS-832-4 吗?已知确定需求30K, 有现货吗?价格多少? 如没有,打样需多长时间 ?
@匿名 您好,FHS-832-4没有现货,交样和交货期都是3-4天。含税单价0.04。
你好,你那里有F-632-2 吗?已知确定需求50K, 有现货吗?价格多少? 如没有,打样需多长时间 ?
@匿名 您好。F-632-2库存不足50K,样品随时可以寄,交货5-7天。含税价0.145。
我们国外客户有几个产品询价,应该适合自动车加工,你们邮件地址有吗
@匿名 我们的联系方式和邮件请参考:/contac.php
已发邮件至wyl@nut100.com ,注意查收
@匿名 好的谢谢
请问这样的零件能做吗?什么价格?材料为黄铜,具体牌号可推荐
附件:
@匿名 您好。这个产品可以做的。单价2.8元/支。牌号推荐C3604,C3602,H59-3,H59-1等,价格一样。
谢谢,请问可以给一个贵司销售联系方式吗?
您好 公司联系方式见右上角的“众博(中国)”。我本人(报价的人)的联系方式18912771062 万先生。
请报下价!
附件: .zip
@赵致知您好,由于规格较多,价格明细我发您邮箱了。
好的,谢谢!
请问,如果价格合适,怎么签合同?
与业务联系即可。我看到您已与我司业务王小姐取得联系
。如对报价有疑问也可联系我本人(18912771062 万先生)
你好 帮忙报下价 年需求量8万件左右
附件:
@赵,请问这个螺钉是什么材质?
IUTB M3*0.5 和IUTB M4*0.7 价格给我下,怎么下订单给你们
@张娜娜你好,IUTB M3*0.5*5.74(长度)含税单价0.08;M4*0.8*8.15单价0.13;MIQ 10K,订单事宜可与我司业务联系:联系方式,贵司下订单给我们或我司出具合同给贵司都行。您也可以在我司网站直接下单(该产品标准与单价不统一,建议走线下合同下单):商品发布地址。
我公司需要订购1000只PFS50 M4-0,开增值税普通发票,邮递到北京,请问价格是多少?
附件:
@李新生 你好。PFS50 M4-0 单价3.1元含税价,采用标准4组合生产(不同于PF31系列的三组合样式)。可以快递到北京。这颗料交期10天左右。
这个价格比我的心理预期高不少,是否因为是不锈钢材料的缘故。请问PF50 M4-0的价格是多少?
@李新生 你好。PF50 M4单价为2.0元。价格的确比较(PF31系列)高,因为这个系列需求量少,我们没有现货要专门生产的,涉及到好几个配件,而你要的数量也不多,成本就高了。不知道你的板厚多少,是否可以用PF31(S)-M4代替,单价0.9(碳钢)/1.5(不锈钢)。
板厚是0.9毫米,用PF31可能需要在模具上做点文章。等我做完实验再确定吧。
@李新生 好的。PF31铆接厚实测0.92左右,如果你的板厚0.9,理论上有0.02被压平。由于铆接处并没有螺纹,0.02的变形量在实际中并不影响什么,的确可以试一试。
下面的带密封垫片M6螺丝,材质是Steel ISO 898-1 EPDM black (2 mm thickness),总需求量80万个大概每个多少钱呢
外形尺寸是: 23.4x23x23
附件:
信息量太少了。这只是个示意图,实在看不懂这是什么螺丝,有详图吗。
想问PTL2和PSL2这两款多少钱啊
@田小姐 你好。 PTL2和PSL2含税单价都是1.6元/支。PTL2有现货,PSL2要生产。
几只包邮啊
正常我们都是含运费的。如果贵司试样需要若干样品测试我们可以免费提供。如果只是买若干个,我们不做零售业务的。
请帮忙报价,谢谢.数量50K/月
附件:
@王 你好。PFS M3-40(锌、镍) M6-62 (锌、镍),单价1.15。PFC2 M3-40 M3-62 1.55。
您好!请确认是否可订做六角螺栓螺母,详细见附件,邮件联系,谢谢!
附件: 316不锈钢六角螺栓及螺母询价.zip
@隋先生你好。非常感谢您的信任,但是很遗憾,这颗螺丝的所需工艺与我与目前设备、产品线相隔甚远。我们做不了这款螺丝,请另询其它厂商,谢谢。
表面处理为镍氟龙的内六角螺丝可以制作吗?
@匿名 这位朋友你好。我们主要做”专业”一点的螺丝,内六角这种太通用了,不是我们的主打方向。请理解谢谢。
BOSOS-M4-18压铆螺柱,不锈钢材质,价格
FHS-M6-12压铆螺钉,不锈钢材质,价格
GBT17880.4小沉头六角铆螺母M6*15不锈钢材质
松不脱螺钉PF11-M6-2
FHS-M6-20 压铆螺钉M6*20不锈钢材质
351-2385.04-20003 不锈钢拉紧锁
AVDEL铆钉3.2*11.5不锈钢材质
@王,你好
BSOS-M4-18 0.35元/支 含税;
FHS-M6-12 0.11;
PF11-6-2 1.85;
FHS-M6-20 0.15;
以上这些规格的单价在我司在线商城(螺丝街)可直接查询。其它几款我司没有请另询其它厂谢谢。
你好。六角双头对接柱给报一下价格。电话181317137**
附件:
@匿名 你好。单价0.195元/支。含税13%。江浙沪含快递费,其它地区托运到当地物流点。生产周期2周内。
IUTC-M6 多少钱一个,给个报价,打样1000个
@匿名 你好。请问长度多少?
你好螺母SP 22这种型号能做吗
@匿名 你好。请问什么叫”SP 22″螺母?
你好:CLS M8-2 ,20000PCS 請報價
@匿名 你好。含税价0.34。现货。请悉知。
我公司需要订购1000只PF31 M4,开增值税普通发票,邮递到北京,请问价格是多少?
@青岩 你好。请参考 PF31的M4的价格
你好!SHK-M4-8.1 SL-M4-8.1 有没有现货?
@曾先生 你好。有现货,如需样品请联系告知地址(微信18912771062)。
这款产品按照单次采购3000和40000支分别报一下价格。一个是月用量一个是年用量
附件:
@匿名 你好。图中材质建议采用303,含税单价0.195,MIQ10K.
工艺是用车的对吧?如果我前期需要先做20支样品测试。是否可以呢
请问贵厂是否可制造HFR M8,M10,M12,M16 螺母?单价分别是多少?材质 304 8.8级
@常州 老任 你好。不好意思,该类紧固件不是我司专长,国内厂家中西安朗福可能专业一点,建议问问他们。
非常感谢,回答的很专业
请问压铆螺母BS,产品需要热处理跟电镀。
电镀前使用加大0.03的丝攻,底径加大0.04-0.05,外发热处理前检验是没有问题的,热处理后因为渗碳层的产生导致,螺纹锁不过,电镀后孔小,牙紧。请问这个是什么原因造成的?
热处理;HV330-400
电镀;镀蓝白锌5-12um
@大仙 你好。(到底是压铆螺母S,还是防水螺母BS? BS也不会涉及到热处理电镀,你应该是说压铆螺母S吧 )
不管是内螺纹还是外螺纹,热处理+电镀后螺纹通规不顺或NG,这是紧固件行业的通病。
造成原因:1,热胀冷缩无法避免,热处理本身会使牙形产生轻量的变形 2,螺纹表面的微小颗粒或毛刺因热处理而固化附着在螺纹表层,这些颗粒、毛刺来源可能是攻牙过程的切削液,也可能是丝攻本身磨损过度,也可能是热处理线的冷却介质。2,渗碳层也会导致螺纹表层微量变形和粗糙。4,螺纹镀层膜厚不均。电镀过程中,因为锌离子的聚焦效应,锋利、杂质、和粗糙的节点部位其镀层膜厚远大于光滑平面,而渗碳后的螺纹正好符合锋利、杂质、粗糙这三要素。
以上4要素叠加,造成螺纹规NG是很常见的。
建议方案:
1,生产控制方面。通规检测也用加大0.03螺纹规,保证通规顺滑无任何卡顿感毛刺感
2,清洗去渍方面。外发热处理前,务必用煤油或阻燃类去渍油在除渣机内反复振动清洗半小时以上,将内螺纹的杂质、颗粒彻底清洗干净。
做到以上两点基本问题不大了。
3,电镀方面。要求电镀厂镀前酸洗到位,彻底去除热处理杂质附着物。另外,12UM镀层是非常厚的,既然5um也算合格,就没必要把公差放那么大,建议5-7um。
4,热处理方面。热处理冷却介质保持一定的纯净程度,避免过多杂质。不过貌似热处理厂你跟他说了也白说,所以还是求电镀厂镀前清洗干净靠谱一点。
非常感谢,回答的很专业
此类产品,满足我的性能要求是否可以达到
附件:
@匿名 你好。
1,图中螺纹底孔径3.3+-0.05这个参数是比标准(4.24-4.42)高的,由于该螺母壁厚较薄,攻牙过程膨胀系数较大,量产不能按3.3+-0.05控制,但可以保证国标范围(4.24-4.42)。
2,图中螺母为B-M4-1,如果贵司使用铜板是2.0和3.0厚,建议采用B-M4-2规格,两都不同点是:M4-1铆接厚度max0.97,M4-2铆接厚度max1.37。另,M4-1的扭力可能达不到3.6NM.
3,我司材质为10B21,硬度HRC28-35,并不是1215
如以上3点可接受,单价0.135。由于电镀有特殊要求,需生产。生产周期7-10个工作日。
请问贵司是使用车床加工还是冷镦,产品是M4牙,可以保证我的性能要求。
@匿名 你好。工艺冷墩。理论上可以达到,实际测试结果依赖多方面因素,节后可请联系我公司业务寄若干样品试用一下,样品为蓝白锌3um。联系方式见网页右上角。
您好
請幫忙報價此款螺母 材質為 C6802 ,年需求量約1KK .
請協助郵件報價聯繫,謝謝!!
Mina
@Mina 你好。并没有看到附件或图纸,您发图了?已回邮件。
你好,埋头压铆螺钉CFHA-M4-10,有现货吗
@匿名 你好。这款没有现货。需生产。
打样时间需要多久,产品单价?还有后续单批起订量在多少?
@匿名 你好。产品单价0.377,MIQ起订量10K。打样一周左右具体请联系我司业务。
单价含税吗
@匿名 你好。所有报价默认含税13%。
M3*0.5-CLS压铆螺母价格是多少?能否可以邮寄10颗样品过来?
@AP 你好。单价0.0575。寄样地址请邮件回复我。
麻烦按1万和5万报价。
附件:
@巴拉巴拉 你好。由于 缺少更多细节,以下报价仅作参考,不作为最终实价。
附件:
M3 *4和 M4*5.5 可以定制吗?数量的要求是多少?谢谢!
@上海光电医用电子仪器有限公司 你好。我猜测你说的M3*4和M4*5.5指的是嵌件吧?如果是的话,什么尺寸都可以做的,数量正常MIQ1万起。
请问热熔螺母SL型下单连接在哪里?
@匿名 你好。专业类的紧固件目前没有提供在线在线购买链接。建议线下沟通。不过这个链接可供参考价格:IUTB螺母价格,这是IUTB型,与SL接近。
Q235套筒,尺寸如附件,两端面平磨。
年需求5千和2万两种情况,大概多少钱。
附件:
@匿名 你好。这个产品也太简单了吧,这么简单的产品想必你看的就价格。我估计你之前的是用管料做的,需要进一步确认一下产品内外圆外观要求,平磨要求。我随便报个价可能出入太大,建议联系我手机18912771062
你好,请问这款可以做吗 2000件,材质8620 硬度及表面要求如图
附件:
@匿名 你好。很遗憾,因为材质的特殊性及需求量的原因,这个项目我们做不了。
整体无过多要求,我是注塑预埋用的,防滑牙与牙纹交界处端面为封胶位,防滑牙全部在塑胶件里面,2万,请报价,用最便宜的材料
附件:
邮箱5768225**@qq.com,1万和3万量的报价。
@匿名 你好。我有看到你QQ咨询我同事关于SLTS的价格,你上传的这个图纸与SLTS还是有较大差异,如果采用碳钢加工且表面镀锌的话,单价应为0.55左右。
您好 向您詢價,CLS型不锈钢压铆螺母,牙距M8xP1.25,規格2,詢問數量:1萬,順豐至台灣-台中,謝謝您
@顾先生 你好。CLS M8-2 单价0.345元/Pic,人民币单价。可以发顺丰,该价格不含运费或快递费。如需要,请联系我司业务。
您好 有SKS-R2-R4 这种压铆吗 如果有价格多少,年用量 10000
附件: SKS-R2.0-4.0-ZI-KEYHOLE®SheetJoiningFastenersTypeSKS-Râ„¢-Metric.pdf
你好,附件与我司这款卡柱SKC-F-1.5类似,我司标准品单价0.15(仅参考),具体请众博(中国)。
您好,向您询问下价格
附件: 5.0.doc
@匿名 你好。请问材质是?
你们自己规格的BP.M3×4.1 BPH.M3×4.1 BP.M4×5.6 BPH.M4×5.6现在价格多少一个,合适的话长期采购
@匿名 你好。M3-4.1 BP单价0.085 BPH单价0.115;M4-5.6 BP单价0.14 BPH单价0.18;仅供参考,具体视数量交期精度等要求进行凭估。
你好,下面这两个铆套 可以做吗,两个铆一起,电话186172908**
附件:
还有一个上铆套
附件:
@江生 你好。请问这个材质、热处理、表面处理要求是什么?
碳钢1215 两种 不热处理
@江生 你好。材质1215不热处理表面去渍本色,预估含税价上铆套0.15、下铆套0.12元/pcs。
您好,这款十字紧定螺钉,请提供三种报价。具体见图面照片内容。谢谢。
附件:
@李先生 你好。不好意思这不是我们的专项,请另询其它厂商
你好,附件图片麻烦,304和316分别报下价格,起订量多少,这两种材质的区别,螺丝抗剪应力,和抗拉强度分别是多少,谢谢!
附件:
@刘工,你好。已回复邮件。
CLS-M6-3 压铆螺母含税价多少件?3.5W件/月。
@574710** 你好。CLS M6-3含税单价0.216(耗模具,比M6-2贵一些)。数量不是问题。
如附件图纸所示一个压铆螺母,一个是注塑嵌件,单价(含税)多少?这2件和上面报价的都是准备开发的一个新项目,量会比较大
附件:
@594710** 你好。上图中左边的螺母其螺纹涉及到专利螺纹,建议向施必牢公司询价。右边的嵌件单价0.2。
你好,请问DSO压花螺柱,以下型号有现货的吗?价格是多少?谢谢
1. DSO-M2-L6
2.DSO-M3-L6
@匿名 你好。M2-6无现货,M3-6有,两款单价一样0.07
你好,请问附件这个有现货吗?什么价钱? 如果没有的话定做怎么收费?
附件:
@wang 你好。这款要生产的,单价0.22,起订量10K.
材质不限。除塑料外,防锈 纹路只要保证注塑成型后不会转动
附件:
@匿名 你好。材质碳钢1215电镀蓝白锌,表面直纹P1.0深0.5,中间的槽由半圈改为整圈,单价0.2,起订量1万。
您好:
我于12月12日给王亚丽经理发一封询价邮件,至今未收到回复。电话也拔打不通,可否立即与我联系。谢谢
我是德国的一家公司 P** GmbH, 位于巴伐立亚州。
@匿名 您好。不好意思我们查阅了相关时间段的邮件与来电记录没有查到相关记录,我不确定是什么原因。收到回复及本邮件后请再发一份给我本人,我本人邮件360280493@qq.com,手机号为18912771062(这也是微信号WeChat)
你好 304不锈钢通孔压铆螺柱M3X6 M3X8 M3X14 底孔外径5.4毫米 M4X8 底孔外径6毫米 价格多少
@匿名 你好。分别对应为如下规格
SOS 3.5M3-6 0.16(13%)
SOS 3.5M3-8 0.18
SOS 3.5M3-14 0.26
SOS 6.0M4-8 0.2
您好,想詢問貴司是否有製做”英制”浮動螺母,如果沒有,接受訂製嗎? 起定量是?
附件:
@進來看看您好。可以提供卡式螺母,具体规格尺寸材质请联系众博(中国)。
咨询一下附图的压铆螺钉的价格。
附件: E01压铆螺柱.pdf
@匿名 你好,含税单价 0.45,MIQ10K.交期7-10天。
PF41的弹簧螺钉的涨铆上模和下模有购买方式吗?M3 M4 M5一套什么价位
@匿名 你好。不好意思目前没有。
你好!若定制类似这种压铆螺母结构的螺柱 高度为3.6 、5.0 多少钱/个 起订量大概多少
附件:
@匿名 你好。暂估S-M3(T=3.6)0.05;T=5.0 0.08 MOQ10万,仅供参考。
你好,能买样件么,拿回打样,后续有个几万套
附件:
@罗生 你好。焊钉和细牙螺母没有,其它可以提供样品。
你好,我需要304不锈钢自攻螺钉,应用在塑料件PC
规格 ST2.5X8mm,平底,盘头,T8梅花槽型,年10万颗,请帮忙报价,谢谢!
@张先生 你好。很遗憾,我们不做这种螺钉,推荐你咨询螺丝街合作厂商胜钒科技专业做这种类型的。
谢谢!
你好: 六角冷压螺母 M6, M4, HCB和HCC 价格大概多少?样品采购周期多长? 最好能提供图纸或3D供设计参考。
附件:
@王先生您好。HCC(蓝白锌) M4 0.12元/支含税, M6 0.17,HCB M4 0.15 M6 0.25,MOQ 1万,交付周期1周。可提供2D图纸。
你好: 压铆螺母 CLS M5-2 价格多少?起订量?
@王先生 您好。CLS M5-2 单价0.121,起订量无特别限制
收到, 谢谢
你好:请问这种铜柱多少钱/起订量大概多少?
附件:
补充:材料是T2Y.
@王先生 你好。抱歉无法提供这种材料。
BBS型的无台阶螺母柱 M5-A1.4-H14-T17 M8-A2.4-H20-T23,单价多少,多少起订
@匿名 你好。需要知晓更多细节,请线下众博(中国)
您好CLS-M3-2 不锈钢的多少钱,谢谢
附件:
@ 您好。单价0.051
你好,请问旋转开关帽里的铜芯(侧面带螺纹,可顶丝锁紧的),你们做过或者有标准品吗?
附件: .pdf
@匿名 你好。这种没做过。类似的有做过。但是这个图可能在设计上存在一些问题,在1.0厚的管壁上攻M3的螺纹,除去倒角几乎只有一颗有效牙了,可能无法满足顶丝的锁紧功能。当然图中有提到外径不小于8MM即可,那具体外径多少还请进一步沟通。如看到本条留言可与我联系(18912771062)。
M5*9*9.5的铜件,5W个,价格和交期都大概多少
附件:
@123 你好。没看到材质牌号,如果采用C3604的话,单价0.41。材料需订制,总交期2周。另产品总长9MM,盲孔有效螺纹深8MM是做不到的,具体可以样品为准。
请问贵司可以做类似这种螺钉,直接用铆钉机去压铆的产品
附件:
我们做的产品,用不了几次就断了
附件:
这是以前焊的断了,希望压铆后能铆紧,不是很容易断掉
附件:
@匿名 你好。抱歉,没做过这种。这几张图看上去也不是太明白
我们要做的这产品与第一张图类似,就是两个圆柱子要求铆的牢固。相当工治具(板手,使用两个圆销定定位然后扳动),与电动打磨机卸打磨片一样。以前我们用定位销钉TPS-4-10压铆,用一段时间就松动了。
附件:
@匿名 你好。看明白了。
是这样的,如果你希望将一个零件当扳手或类似工具用,不应该采用铆接的方式,而是采用过盈配合的销钉的方式。如下图所示:


将直径大于孔径的略带倾角的销钉(类似圆锥销),通过强力压入孔内即可。
你这销钉是什么规格,我上面哪个图纸,你说用什么规格合适
@匿名 你好。以上图只是我们车间使用的一种工具,不具尺寸参考价值。PS,我们并不生产这种销钉。关于你的图纸用什么规格合适,这取决于多方面因素,更准确的说,取决于你。
M8*1.25 不锈钢 长度15的报价有吗?
@匿名 你好 具体来说是什么?
你好,看到贵公司生产无螺纹的不锈钢嵌入件,表面直花纹,内孔7mm,外径10.5mm,高度11mm。
我们的订单大概每年100万,请问多少钱每件?
如果尺寸按照我们的设计要求微调,价格会有区别吗?
谢谢!
附件:
@Liang 您好。
尺寸可以按用户要求调整。大约的单价如下:
采用棒料生产:303不锈钢0.35元/支;316F不锈钢0.65元/支。
还有一个方案是采用管料生产,这涉及到一些外观、起订量等细节,具体要另谈。图中实物为棒料生产的效果。
IB型螺母 M4 螺纹深度8mm 可以帮忙报个价吗?
您好,IBB 铜螺母 M4*外径6.35*长度10,内螺纹深8mm,单价约为0.2,具体视需求数量调整 。
了解
请问GB809-A M4*8 C3604不含税单价是多少? 产品页面那个价格准吗?
你好。准的。
报价页面是含税还是不含税的价格?
含税13%
您好,请问是否有同等规格嵌件不锈钢圆螺母报价参考,另如需将标准外径嵌件螺母更改为壁厚更厚的嵌件螺母,报价会增加多少,请以M6*10的黄铜嵌件螺母举例(外径分别为10,12,15),感谢,祝好。
您好。不知道对内螺纹孔径有没有的具体要,如果孔径按5.0~5.1话,材质303的GB809螺母外径10 12 15的单价分别参考:0.27、 0.4、 0.58。
官网上那个联系方式能加上你们么
您好 请加我微信18912771062